04179980
古スコ広場(旧”昔欲しかった天体望遠鏡”)アーカイブ
こちらには投稿できませんが、データベースとして活用ください

[HPトップ] [曇天会議] [新着] [目次] [ワード検索] [過去ログ] [管理用]
本掲示板の運用を終了いたします   さすがNKミラー   [業務連絡]第1回 曇天の集い Online Live   ミザールのSP赤道儀   冨岡光学研究所   [業務連絡] ★新掲示板に移動お願いします★   TS式80mmアポクロマート屈折   ケンコー WT-80   松江市 天体望遠鏡の譲渡について   SAT-75 島津製作所   LJマーク    Cloudy Nights Classic Telescope Forum at NEAF   東邦光学工業株式会社   ビクセンファインダーの固着   「5pに外れなし」は真実か?   不可解。島津製作所製天体望遠鏡   今さらながらなんですがミザールH-100   知らなんだ。国外では大人気だった山本製作所   西村15cm反射経緯台   4cm屈折の見え味   禁断の114mmクラブ   ニコン6.5cm屈折赤道儀   パノップ 復活   エイコー5pシングル   アイピースケース   最大の謎 Vega   3TK>3B<クリアー光学   古スコのファインダーで遊ぶ   理科教材社→JSOの謎   トイ古スコ   セレストロン8   足立光学の経緯台部品   古スコ改造   大一光学Libra   贅沢な小型望遠鏡   【アストロ光学(株)その11】 アストロ光学(株)の光芒   Danchyka   関西光学のミラー   ダウエル部品   五藤の双眼鏡
 新着の期間  [全ページの表示] [新着一覧
新規投稿欄はページの一番下です。


名鏡、銘鏡、、迷鏡?  投稿者: sherwood 投稿日:2017/11/24(Fri) 00:07 No.10812

皆様こんばんは!

先だっての星野鏡入手以来、この沼に足を踏み入れてしまいました。

「日本の反射 ここにあり!」

今までネットで拾い集めた情報を少し整理してみたいと思います。
しかしこれ以上出てきません。
訂正、加筆などありましたらよろしくお願いします。

中村鏡 裏面イニシャル[ Nakamura ] 1904-1932
日本の反射鏡の礎、中村要氏により研磨された名鏡。
この鏡を活かすために西村製作所の望遠鏡部門が操業した。
国宝博物館クラス 概ね2~300枚程 

木辺鏡   [S.K.M、本名 ] 1912−1990
中村氏に師事、住職でありながら研磨の達人 
特注により西村反射に搭載されることがあった。
幻クラス 200~2000枚(諸説あり)

苗村鏡  [ T.N.M ]
木辺氏に師事、現代の名工にて現在も研磨されている。
お宝クラス すべて番号管理されている。
特注により西村反射に搭載されることがあった。
凹面鏡概ね1000枚程(他にカセ、屈折レンズ 一般〜天文台用まで多種)

星野鏡  [ J.Hoshino ]  -1997
反射鏡から赤道儀に至るまで自作、出版しアマチュア天文家の手本
10~30cmクラスが多い?
幻クラス 概ね5~800枚

池谷鏡 [ ? ]
彗星探査者の池谷氏の名鏡、法月製作所退職後、独自に研磨 
三鷹光機などに搭載多い 大口径も多い
お宝クラス 枚数不明

田口鏡 [ F.O T.T ]
元高橋製作所 研磨室長 同社10〜16cm反射に特別仕様でのみ搭載された名鏡
現 富士オプティックス (現在は修正研磨のみ受付?)
TS-160X 18枚限定
他枚数不明



西村製作所 T.A鏡 [ Kyoto Nishimura T.A ]
後に天ガの編集長となるT.A氏による名鏡

西村製作所 T.K.鏡 [ Kyoto Nishimura T.K. ]
私の西村15cm反赤

田坂鏡 [ ? ]


NTK中村鏡 [ NTK K.nakamura ]
元日本特殊光学(JSO)、現 中村特殊光学
枚数不明


足立鏡 [ ADACHI 足立光学 ]
足立光学製 良心的な価格だがよく見えると評判 一般向け10~20cm 1/8λ以上
枚数不明

石川鏡 [ ? ]
IK技研代表 石川氏
「われら六稜人 レンズに魅せられた男」参照
枚数不明

日高鏡 [ ? ]
日高光学

山崎鏡 [ ? ]
山崎正光氏?

清原鏡 [ T.K ]
清原光学 清原勉氏?







迷鏡!一度は見てみたい
御三家 「ダウエル、パノップ、3B製反射鏡」
伝説の見え味 鏡面誤差2λ?




Re: 名鏡、銘鏡、、迷鏡?   もも - 2017/11/24(Fri) 18:34 No.10813

ガラクマさま、みなさま。
こんばんわ、ももで〜す。
sherwood さま
そういえば、3Bにスリコールスーパーミラーがありましたねえ。
ミザールの高精度鏡は何処製だったのでせうか?
昔の天文雑誌に細井光学って広告もありましたが〜売れたのでしょうか??

ちなみにですけど、
ワタシんとこの鏡は・・・
シンチレーションをものともしない?という謳い文句の〜
20cmジンデン鏡があったりします。
あ、日本のじゃなかったですね!失礼〜

国産だと、足立光学製の20cmF8青版を〜星野先生が修正研磨したとかいう鏡も手元にあります。
あとは〜無償貸与を受けてる15cmF7の「石橋鏡」なんてのも〜
鑑定団ではどちらも優秀というお墨つきを頂いておりました。




Re: 名鏡、銘鏡、、迷鏡?   - 2017/11/24(Fri) 20:48 No.10814

3Bといえばスリーコールスーパーミラーの他にヤシロ鏡か?ヤシオ鏡か?がありました。ほんの一時期でした。
ビクセンのR125Sとかでもスーパーミラーグレードがありましたが、アイベルさんとか一部の販売店限定でカタログに載って無かったはず。あれは何だったんだろうか?(秋葉スタベで中古が9kくらいであったはず)




Re: 名鏡、銘鏡、、迷鏡?   部分微動 - 2017/11/24(Fri) 22:26 No.10815

アイベルさんのは150mm、f=750mmでλ=1/16仕様だと思います。ブラック塗装の鏡筒に7×50のファインダー。2003の火星接近のときに中古で手に入れて数回使ったのみで物置に。ビクセンのあの接眼部いいですね。あのころいろいろな機材を集めていたのですが(野望があった)その後、社畜化し、包装を解かずにおいてあるものばかりです。ミザールの150mmRS20にf=1000mmのバージョンがあったのをここに集う皆様なら知っていると思います。それも持っているのですが確か名のある名人が磨いた鏡だったような。




Re: 名鏡、銘鏡、、迷鏡?   青色つきこ - 2017/11/25(Sat) 10:21 No.10816

皆さん、こんにちは。

NTK中村鏡は、日本特殊光機製作所です。
http://yumarin7.sakura.ne.jp/retrokan/NTKq1.pdf

16cmメニスカスカセグレンの広告記事が天文ガイドに載っていたのを
覚えていますが、実際はどうだったのでしょうか。

日本特殊光学のシュミット補正板は山田さんが磨いていらっしゃったのかなぁ。
他の主鏡・副鏡は、どうしていたのかなぁ。
シュミット補正板は製作品目にあげているメーカーがありますが、量産化は国内
では日本特殊光学でしょうか。

名鏡といえばミザールのワインレッドを思い浮かべます。
高橋製作所の10cmF=10反射は球面鏡ですが、一期一会でしたが、すごいと思いました。
でも、私はニュートン反射とは相性が良くなく、手元には一台も残っていません。




Re: 名鏡、銘鏡、、迷鏡?   上板2丁目 - 2017/11/25(Sat) 10:49 No.10817

●●鏡なる名鏡を一生に一度は拝みたいと言う、〇〇教に嵌っていらっしゃる方々が
大勢いらっしゃるようですね。
どうやって磨いたらこうなるか理解できない御三家教も貴重な産業遺産なんでしょうね。
名鏡・・どこかでぜひ見せて下さい。




Re: 名鏡、銘鏡、、迷鏡?   青色つきこ - 2017/11/25(Sat) 14:09 No.10818

皆さん、こんにちは。

ちょうど良く、ヤフオクにビクセンのR125Sのスーパーミラーが載っています。

https://page.auctions.yahoo.co.jp/jp/auction/f243812403

副鏡がスライドしてピントを調整する、ビクセンの短焦点反射は好きです。




Re: 名鏡、銘鏡、、迷鏡?   スークー - 2017/11/25(Sat) 21:55 No.10819

15p木辺鏡持参で行ったある観望会で、何だったか忘れましたがM天体を観望中、よく見えてたので近くにいる人に(けっこう大勢の人が観望や撮影に来ていた)「M〇〇見ませんか」と叫んだら、十数メートル離れたところで同じ天体を20pだか25pだかのシュミカセで見ていた人がこちらにやって来て、私の木辺鏡を覗いて一言ポツリと「負けた」。

私はニヤリ。
これが名鏡、銘鏡というものだと思いました。
もちろんその方には、木辺鏡だと事前に言ってはおりません。

(少々嫌味な書き込みスミマセン)




Re: 名鏡、銘鏡、、迷鏡?   sherwood - 2017/11/25(Sat) 23:42 No.10820

皆様こんばんは!

もも様
細井光学も銘鏡ですね!
ネット上にありました
[ H 番号] 判子押しです。
石橋鏡も検索してみます。

NTK中村鏡
元「日本特殊光学(JSO)」 →元「日本特殊光機製作所」ですね。
混同していました。

ビクセン「スーパーミラー」は架台のスーパーポラリスと
単に名前のミラー(ハリーなどと同じ)
を掛け合わせたものと思っていました。高精度ミラーですか?
ミザールの高精度ミラーなどは銘が入っていたのでしょうか?

高橋の初期10cmF10ですが、ミラーはミザールやエイコー?かカートン
などと共通で球面鏡との書き込みがありました。真偽の程はわかりませんが、、、
もしかすると検査して出来のいい順に高橋、ミザール、エイコー、、、残りは御三家?

書き出してみますと、かなりの数ありますねー
しかし現存するのはどのくらいでしょうか、、

今時、口径たかが10cm、15cm程度かもしれませんが
観望で惑星と月ならシーイングによっては十分戦えるかと!
(私の西村は付属アイピースではイマイチでしたが、谷オルソならかなりいいです。)

まあ、たとえ大して見えなくとも十分に一晩の話のネタにはなりそうです!




Re: 名鏡、銘鏡、、迷鏡?   minoru - 2017/11/26(Sun) 08:14 No.10821

みなさん、おはようございます。
細井光学、地元にありました。10数年前古いゼンリンの地図に載ってるのを見つけ訪れたのですが、すでに廃業してて親戚であろう人に聞いても分からなかったです。

私にとっての名鏡は、中村修正鏡かな?
http://yumarin7.sakura.ne.jp/rod.html 一番下逸話に載ってます。
西村15pとアストロ15pも名鏡でありたいと思ってます。

迷鏡は、パノップ13pと3B10pかも?
パノップ13pは意外と見え味良くてパノップらしくないです。3Bは覗いたことあるのですが記憶が・・・




Re: 名鏡、銘鏡、、迷鏡?   ガラクマ - 2017/11/26(Sun) 21:35 No.10822

garakuma.gif 天体望遠鏡博物館にも、信仰の対象として(?)展示しております。
この展示用の木枠は開館の前夜、手持ちの木材で友人と突貫でつくりましたが、白木の為余計に神様を感じます。





Re: 名鏡、銘鏡、、迷鏡?   もも - 2017/11/26(Sun) 21:41 No.10823

ガラクマさま、みなさま。
こんばんわ、ももで〜す。

おお〜!ありがたいお鏡!!
いつかはお参りに行きたいものです。




Re: 名鏡、銘鏡、、迷鏡?   ひぽぽたます - 2017/11/26(Sun) 22:17 No.10824

kaba.gif う〜ん、何やら神具の神鏡の様な佇まい・・・。本当に拝みたくなります(笑)





Re: 名鏡、銘鏡、、迷鏡?   (^0^)コメト - 2017/11/26(Sun) 22:52 No.10825   HomePage

utyuujin1.gif ガラクマさん、皆さんこんばんは

おー!お出になられました。。ご神体(^0^)
なるほど古来から鏡はありがたやありがたやデス。
これで青銅製とかだったら趣旨が違って来るから面白い。




Re: 名鏡、銘鏡、、迷鏡?   ガラクマ - 2017/11/26(Sun) 23:04 No.10826

garakuma.gif 何教だったか忘れましたが、たはたまあるお方のお家に行ったら、ヒポさんの神具よりずっと大きい30cm超級の鏡が奉られていて、びっくりしましたが、詳細忘れて残念です。

私にとっては上板2丁目さんと同じく、勾玉赤道儀のパノップ反射望遠鏡とかが最高の信仰対象かな。
ヤシオ鏡って、そういえばということで探してみました。広告見つけましたがチビテレほどに意気込みが感じられません。少し自信なかったのでしょうか。見てみたいものです。

 まったくの余談、どうでもいいお話ですが、本日「見えない望遠鏡が愛おしい」とFMの取材にひとしきり熱弁をふるいました。
さて一般の方に理解されるかどうか、それ以前に1月11日の放送にカットされないかどうかではありますが。





Re: 名鏡、銘鏡、、迷鏡?   エド - 2017/11/27(Mon) 00:01 No.10827

皆様 こんばんは。
反射は門外なのでカキコは控えておりました。
そういえば昔、Gオプトの山田氏が☆まつりにて反射鏡を外に置いて、水晶玉を接眼レンズにしてハーシェルタイプの光学系にして月を見ていました。。。
卑弥呼が出てきそうなアヤシー世界です。。。
その宣伝カーもかなりアヤシーですが。。。




Re: 名鏡、銘鏡、、迷鏡?   ガラクマ - 2017/11/28(Tue) 23:23 No.10829

garakuma.gif 本物の名鏡は、崇拝すべき存在とは思いますが、中古で買ったりしたら、余計分からなくなってしまいます。
 N〇Kの〇村さんからお聞きしましたが、信州の山奥で冬は出稼ぎしか糧をえることができない雪深い地域に出向き、反射鏡磨きの講習を行い、それを買い取っていたとのこと、銘はどうなっていたのでしょうか?

 ギガオプトさんは、その存在自体相当怪しいので、水晶玉で覗いてても不思議ではないですね。一時期、よく関わっておりました。




Re: 名鏡、銘鏡、、迷鏡?   通りすがり? - 2017/12/02(Sat) 10:22 No.10835

1年ぶり?くらいの書き込みです。

F.O.T.Tさんですが・・
工芸品ではなく工業製品なので比較対象ではないと言われていました。
10年以上前に聞いたとき1万枚くらいとか・・
#軸外しは3枚で数えたのかは不明




Re: 名鏡、銘鏡、、迷鏡?   NGC1999 - 2017/12/02(Sat) 10:46 No.10836

 日本アマチュア天文史(1987 恒星社厚生閣)に望遠鏡-鏡面研磨を主として-を木辺成磨が書いています。その中で、関西光学の宮沢堂(元花山天文台員)が鏡面作りをしていたとの記述がありました。

 その抜粋です「宮沢堂が、かつての同僚、亀井寿彦らを誘って関西光学という会社を設立し、10〜15cm級の反射望遠鏡を相当数造った。もっとも宮沢自身はすでに戦時中、多分1941年頃?西村製作所と共同してミヤニ式といって10cmの小型カセグレン式の望遠写真儀を宣伝した(略)宮沢の鏡面作りは戦前に属するだろう。しかし大々的に行動したのは戦後であり、会社組織にしたのは、終戦後である。この会社は相当発展し,1955年頃までに10〜15cm級から20cm級まで作り、作業員も宮沢の外10名くらいいるまでになったが労働争議が発生し、会社としては消滅した。だが宮沢個人としてはその後も鏡面作りはしていたようだった」。
 ほかに、五藤光学の三日山吉弘氏の名前もあります。

 さて、旭精光で研磨していた方の名を聞いた記憶があります。梶山氏??




Re: 名鏡、銘鏡、、迷鏡?   いっかくじゅう - 2017/12/02(Sat) 12:32 No.10837

天文ガイド12月号の天体写真コーナーで、月面写真により最優秀賞をとられた中村氏がNTKの中村氏でしょうか。自作カセグレンによる撮影とのことで、受賞のことばには、以前、天体望遠鏡メーカーを運営していたとあります。




Re: 名鏡、銘鏡、、迷鏡?   通りすがり? - 2017/12/02(Sat) 13:00 No.10838

木辺氏の弟子の苗村氏は有名ですが、一番弟子は「岩崎氏」(宇宙画家?)らしいです。
昔、本人から聞きました・・・




Re: 名鏡、銘鏡、、迷鏡?   touch - 2017/12/02(Sat) 19:24 No.10839

青色つきこ様

30年ほど前、K先生の紹介で皆でJSOを見学したことがあります。
既に山田坂雄先生は亡くなったあとでしたが、息子さんがやっておりました。
研磨機が稼働してましたが、補正板か主鏡かは聞きませんでした。
「天体写真NOW」で山田先生が補正板の研磨方法の記事を書いていられるので
少なくとも補正板の研磨は行っていたようです。
見学の際、改良ライトシュミットの特許のことを質問したのですが、笑ってい
るだけでした。




Re: 名鏡、銘鏡、、迷鏡?   青色つきこ - 2017/12/03(Sun) 10:49 No.10840

みなさん、こんにちわ。
touch 様、ありがとうございます。

日本特殊光学は、山田坂雄先生が亡くなられた後も暫くは御子息がやっておられたようですし、
2代限りで廃業したと言ったほうが良いのでしょうか。
私はNSC-12Bを持っていますが、購入後10年経ってから主鏡のマルチコート化とNSC-22のファインダー脚を取り付けてもらいましたし、予備の取付台も買えました。(1990年代中頃)
山田坂雄先生が亡くなられた後の事でしたが、アフターフォローでやっていたのでしょうか。

「天体写真NOW」は持っていませんが、図書館で探してみます。
「星の手帳」の初期の号に山田坂雄先生がシュミット補正板とマクストフ補正板の製作比較について
記事を書いていた覚えがあります。
後継者が無く、廃業した




Re: 名鏡、銘鏡、、迷鏡?   青色つきこ - 2017/12/03(Sun) 11:01 No.10841

(ごめんなさい、途切れてしまいました)

後継者が無く、廃業したのは、斬新なデザインで製品を出されていたので残念です。




Re: 名鏡、銘鏡、、迷鏡?   ひぽぽたます - 2017/12/03(Sun) 13:56 No.10842

kaba.gif 名鏡・銘鏡と言われるお宝ですが、国内品はわかりますが、海外品はジンデン鏡くらいしか知らないと思います。実は、大陸の粗悪品(最近では結構良い様ですが・・・)が出回る前は
結構米国・欧州には、銘鏡があった様です。当方の所有しているのは1970年代に作られた米国のAlica.K.Herringの20cm鏡。確かCAVE Opticに所属していた方で、マウナケア山に設置
されている公共望遠鏡製作に関わっていた名工です。全て手作業で研磨していた時代で数多くの銘鏡を作製したそうです。但し、銘鏡の割には国内ではよく知られていないのは、
大らかな米国流で製作していた為でしょうか?写真で判る様に、磨き段階で使った紅ガラが側面のスリ内に残っていたり、コバの面取りが大雑把だったりしてありがたみが出ないせい
なのかもしれません。他に海外の銘鏡についてご存知の方はいますか?是非、お教え下さい。





Re: 名鏡、銘鏡、、迷鏡?   A7M2 - 2017/12/05(Tue) 07:38 No.10843

日本アマチュア天文史ですが、五藤光学の三日山吉弘氏は間違いで、三ケ山吉弘氏ですね。
(本の誤植なのか、原稿間違いかわかりませんが)

たしか京都大学の60p反射(リッチークレチアン)も研磨されていたのではないかと思います。




Re: 名鏡、銘鏡、、迷鏡?   エド - 2017/12/06(Wed) 19:56 No.10844

皆様 こんばんは!
星の手帳 1991年冬号に鏡面の特集記事があり、田阪さん苗村さんが阿部編集長の取材を受けるかたちで記事があります。
その時点で苗村さんは研磨を初めて31年で800面磨いたと書いてあります。
今現在、TNMのホームページでは約2000面と謳ってらっしゃいます。
それだけたくさん磨いてらっしゃるのに、意外に目にしないです。。。
この星の手帳の各記事には、なかなか含蓄のある言葉があり、例えば同じミラーでもその時その時で
見え味はまるっきり変化するとか。。。最初に平凡な出来の鏡を入手してしまうと、それを引きずってしまって時間を浪費してしまうとか。。。屈折にも言えることではありますが。。。




Re: 名鏡、銘鏡、、迷鏡?   - 2017/12/08(Fri) 08:19 No.10845

ジンデンさんの弟子だったかでクラッブ?さんがいて、一時期輸入されていました。大阪のインターナショナルオプティック???さん(記憶が定かでない。本業はお医者さんの方)やコスモスさんで扱われ、数年前の原村で15cmの在庫?が売られていましたが、買い損ねました。
フランスにはテクソロー?さん(スぺル忘れた)だったか、名人がいたはずですが大型だけか?見掛けません。
レンズならアルバン・クラークさんですが、手頃な10cm級でも結構高価なので手も足も出ず。




Re: 名鏡、銘鏡、、迷鏡?   ガラクマ - 2017/12/13(Wed) 22:11 No.10847

garakuma.gif 京都大学の60p反射(リッチークレチアン)は、今博物館で調整中ですが、何が悪いか特定できない状況で見えが悪いです。
私が作った解説文を添付します。

苗村さんの研磨機(1m級用)の一部が写った写真がありますが、使い方が分かりません。途中までダイヤモンドツールか何かで削るのでしょうか?





Re: 名鏡、銘鏡、、迷鏡?   (^0^)コメト - 2017/12/14(Thu) 14:18 No.10849   HomePage

utyuujin1.gif ガラクマさん、皆さんこんにちは

京都大学発の60p反射(リッチークレチアン)を改造中でしょうか。(^0^;
今までの用途を詳しく知りませんが、元々この光学系は広視野が目的で開発され、
その意味、視野中心像は甘くなる特性を有しております。

つまりはそれまでの主流だったカセグレン系が視野中心像の切れは良いが、
視野周辺の像の悪化が急速で、少しでも写野を広く取る分野には向かないので、
主たる光学系を高次の曲面に置き換えて写野を確保したいと言う発想です。〇 〇;

これは言い換えると理想的な結像を実現できるカセグレイン式に比較して
「写野は取れるが中心は少し犠牲にしますヨ」と言う約束があるような物。
これのコンセプトは、何かを犠牲にしなければ実現しないと言う事です。
元々の集光が満足でないとその後に何やっても不満足ではないかと。。(^0^8

後日には光路中に補正レンズとか入れて理想状態に近付ける努力がされ、
既存メーカからも各種のネーミングで発売もされていますが、いづれも
比較的小口径(Φ250o程度迄)で実現、その位なら我慢出来る集光も
実現されると言う事になります。少なくてもΦ60pは辛いでせう。(∼0∼;

(^0^)も以前に光学設計ソフトが使えた頃に設計だけは試みましたが、
視野を少しでも外れると収差が何倍にもなる光学系に呆れもしました。
また、Z〇N社のリッチークレチアンもお試しでトレースしてみましたが、
数度以上の写野では何をやっても無駄な感じでした。(_ _;

掲載した説明図は広瀬英雄著『シュミットカメラ』のですが、ここではF3.3
の条件で写野としては2°確保を目的として設計しているようです。〇 〇!
京大ではF3を必要として設備したのですから、広視野だけが目的であったのでは?

また、田〇氏?の研磨作業中の写真からはディスクグラインダで曲面を
掘り込んでから研磨を進める工程をどこかの雑誌で拝見した事があり、
それに倣ってか後日の作業者もこれでやってる気配でつ。(^0^)

鏡面硝材の熱強度は案外に高く、無理矢理高速で仕上げるとかでない限り、
更には青板でもない限り、ヒビや割れは生じないと思います。
この深い局面を彫り込むのは研磨剤と労力がドエラクて手段は限られます。(^0^v





Re: 名鏡、銘鏡、、迷鏡?   ガラクマ - 2017/12/14(Thu) 22:35 No.10850

garakuma.gif コメトさん。お詳しいご検証ありがとうございます。
使っていた方々、先生のお話では、この望遠鏡は多くを対象にするため、シュミットカメラより改造した望遠鏡であり、鏡筒も流用する必要があり多くの制約と欲張りな要求をもって作られた望遠鏡だったらしいです。

補正レンズは広写野の写真撮影の為、それを外すと惑星まで対象とする中心像を要求されたという事で、凄く見えたという先生のお話をお聞きしておりましたが、副鏡遮蔽が主鏡径の1/2Φ程あり、皆が時間をかけて調整してもこの程度というのは、元からの限界か、それ以外の要因かは分かりません。





Re: 名鏡、銘鏡、、迷鏡?   voyager_camera - 2017/12/15(Fri) 17:10 No.10852   HomePage

ガラクマ様、コメト様

この60cm反射(リッチークレチアン)と言われているものは本当に純粋なRCでしょうか?

 コメトさんとチョット意見が違いますが、所謂2枚鏡系(ドール・カーカム、カセグレン、リッチークレチャン)はどれも主副鏡ともに2次の回転面の組み合わせで、シュミット補正板のような高次非球面ではありません。
2次曲面では球面では0、放物面では-1になるk(コーニック定数)が2次の非球面係数として使われます。
ドールでは副鏡を球面(K=0)、主鏡を楕円面(-1カセグレンでは主鏡を放物面(k=-1)、副鏡を双極面(k<-1)として球面収差をゼロにします。
リッチー・クレチャンでは主副鏡ともに双極面(k<-1)として球面収差をゼロにします。
非球面係数が小さくて球面に近いほど整形研磨作業が楽になります。(研磨時にストロークを取ると研磨面はどんどん球面化して行くので)
つまり、非球面係数の大きな主副鏡を使うRCはこれらの組み合わせの中では最も製作が難しくなります。
更に合成焦点比が小さいほど球面から離れた形状になるので、整形研磨は超難問となってる来ます。
これらの2枚鏡系では球面収差がゼロですから惑星などを観測するのであればどれも同じ見え方をします。
同じ主鏡有効径で副鏡の拡大率が同じであれば、どれが良く見えるかは鏡の研磨精度に依ります。
では、何故そんなに難しいRCを作るかと言えば、それはコマ収差が無いからです。
RC以外はコマ収差を持っていますから、写真鏡として使う場合はコマ補正用のレンズが必要になります。
RCはコマ収差がありませんが、強い像面湾曲を持っています。
銀塩時代のシュミットカメラのように、乾板を撓めてやれば全面にコマ収差の無い星像を結びます。
現在、RCで写真撮影する場合は像面平坦化レンズ(フィールドフラットナー)を挿入します。
コマ補正レンズよりもフラットナーの方が設計上の拘束条件が少なくて製作も簡単です。
2枚鏡系の話は光学設計の基礎ですから、以下のページをご参照ください。
https://www.jstage.jst.go.jp/article/jjspe1986/67/10/67_10_1562/_pdf
http://www.cybernet.co.jp/optical/course/story/11/

 ガラクマさんが書かれた資料によりますと、このRC鏡筒は主副鏡ともに高次非球面ということになっています。
であればRCではありません。
あえて言うなら準RC(Modifyed Ritchey–Chrétien)です。
補正レンズも3枚玉になっていますから、やはり準RCなのでしょうか。
現在GSOなどからアマチュア用に販売されている純RC鏡筒の補正レンズは2枚玉で充分な性能を発揮します。
合成焦点比が8で、副鏡拡大率も同じくらいで中央遮蔽も25%程度のようですから、どれをとってもスペック的にはGSOと同じです。
単にFの明るいカセタイプの鏡筒であればRC以外でも解はあった筈です。
例えば現在タカハシで販売しているCCA-250(Corrected Cassegrain Astrograph)などは、主鏡は放物面、副鏡は球面、3枚玉補正レンズでF5で比較的大きなイメージサークルを実現しています。
このタイプでしたら凹放物面主鏡と凸球面副鏡ですから製作はRCを作るよりも遥かに楽です。(特に凸面が球面というのは研磨者にとって救いです)
タカハシより前になりますが、2000年ころには有効径1mF3の同タイプ写真鏡筒(補正レンズは超低分散ガラス材を含めて4枚玉)を弄っていた経験があります。
この鏡筒の仕様が60cmF8であればCCA-250をスケールアップしてFを暗くしただけで、そのままま3枚玉補正レンズでOKであった可能性もあります。
想像ですが、設計技量不足から製作が難しい光学系になってしまった可能性があります。
解説文の精確さを求めるのでしたら、設計者または製作者からもっと詳しい情報を入手すべきと思います。

> 今博物館で調整中ですが、何が悪いか特定できない状況で見えが悪いです。
 お話では主副鏡ともに非球面ですから、回転軸が存在します。
主鏡の軸が副鏡の軸上に乗らないとアスが発生しますので、焦点内外像を見れば直ぐに判ります。
補正レンズがフラットナーでしたら外しても軸上の収差(球面収差)に影響はありません。
先ずはその辺からチェックされては如何でしょうか。

タイトルの「名鏡、銘鏡、、迷鏡?」に感想を言わせていただければ、No.1は池谷鏡です。
説明すると長いので、ここは単に信者ですので・・・池谷教とも言います。




Re: 名鏡、銘鏡、、迷鏡?   ガラクマ - 2017/12/16(Sat) 19:13 No.10855

garakuma.gif voyager_cameraさん。ご解説ありがとうございます。
いろいろお詳しいですね。難しいお話で、なかなか理解しかねます。

ただ、ごく初歩的、入口で分からないのが、「リッチークレチアン」と「準リッチークレチアン」。
補正レンズを前提に総合的に収差を補正しているのが、”準”くらいに思っていたのですが、
voyager_cameraさんのお話を元に、吉田先生の「天文アマチュアのための望遠鏡光学」で確認してみると、余計に分からなくなってきました。
説明には、リッチークレチアンは”主鏡も副鏡も複雑な非球面”としかなく、それ以外は補正レンズを使っても使わなくても、目的に合わせて最適化しているのが”準”らしいです。
準リッチークレチアンは目的に応じいろいろなレパートリーをもち、その一種としてリッチークレチアンがあると言っているように読めます。
普通、人→白人、車→自動車とか、大きな範囲、種類を表す言葉/名前の前に、より特定できる種類を表す詞を付け加えて、範囲を限定、種類を特定するのが普通と思います。

また、”準”というのは、準優勝とか、準会員とか、それには劣るがそれに近い、って感じの意味を持つと思いますが、リッチーより最適化しているのに”準”というのも、言葉が理解できかねます。
 (カセグレインを前提にしているのが、準ということかもしれませんが・・・なんとも) 

 リッチークレチアンの”複雑な非球面”がどのような数式で表せられるかは書いてありません(三角関数が入るのでしょうか?)が、放物面であるはずのニュートン式反射望遠鏡の主鏡が、(古い)タカハシやビクセンのように球面で、放物面を近似したものであってもニュートン式反射と言っていますし、6次や8次に近似したものであっても、あえて”準”をつけてもつけなくてもいいように思います。

より最適化しているのに”準”、幅広い形式を表すのに”準”というのはおかしいので、私の理解が間違っているのでしょうが・・・

光軸調整は補正版を外して行っており、焦点内外像はあまり差がなくへんな歪みもないのに200倍くらいが限界で、FC76あたりに劣ります。
補正版をつけると、もっとピントが悪くなるようです。
まあ、いい望遠鏡でも60pRCですので、条件によって悪い時があってもおかしくないですが、ずっと調整している方のお話です。




Re: 名鏡、銘鏡、、迷鏡?   voyager_camera - 2017/12/18(Mon) 09:19 No.10859   HomePage

ガラクマさん

 先ず前回のコメントの中で一部文章が乱れていましたことをお詫びします。
前文の「ドールでは副鏡を球面(K=0)、主鏡を楕円面(-1」の後に続く記号が何か悪さをしたようです。
パスワードは設定したのですが、コメントの削除および修正が出来なくて放置していました。
前回コメントのテキスト原稿の写真を添付します。

 前コメントで「準リッチークレチャン(RC)」といったのは純粋なRCではないということで「準」としました。
純粋なRCというのは2枚鏡(主凹面、副凸面)で球面収差もコマ収差も無い光学系のことです。
ドールやカセグレンも同じ2次曲面同士の組み合わせによる2枚鏡ですが、どれも球面収差補正はできていますがコマ収差が残っています。
コマ収差が存在すると、写野の広い写真鏡筒とする場合は周辺像が劣化しますので、周辺でもコマ収差の無いRCが発明されたわけです。
しかし、RCには像面湾曲が残っていますので、平面像は欲しい場合には平坦化レンズを併用します。
準RCというのは補正レンズ系を工夫して鏡の非球面係数などを変化させて、結果としてRC+フラットナーと同じような結果を得るような光学系とお考え下さい。(製作しやすくするのが主な目的)

 光学設計のサンプル写真を添付します。
画面中の光路図左上に「Kyoto-RC3780F60」とあるのが現在製作中の岡山(京大)の3.8m赤外線望遠鏡(RC)の2枚鏡だけをシュミレーションしたものです。(以下のP45)
http://www.kusastro.kyoto-u.ac.jp/~nagata/bb08_.pdf#search=%27%E3%83%AA%E3%83%83%E3%83%81%E3%83%BC%E3%82%AF%E3%83%AC%E3%83%81%E3%83%A3%E3%83%B3+%E9%9D%9E%E7%90%83%E9%9D%A2%E4%BF%82%E6%95%B0%27

この3.8m望遠鏡はRCで主副鏡だけで球面収差が補正されています。
また上の資料のP45の表5.3「光学パラメータ詳細」にはナスミス系やフラットナーの情報も含まれています。
フラットナーは2枚玉で硝子材は書かれていませんが、通常のクラウン、フリント材を使用するものと思われ、レデューサ機能はありません。
「ODAS編集」というウインドウは面番号2(RC主鏡)の面データの入力画面です。
この中の「非球面」の中の「型式」が「Aspheric(非球面)」で「K」が前回説明したコーニック定数と言われるものです。
更に「A」「B」「C」以降の窓がありますがこれらは入力されていません。
Kは2次、Aは4次、Bは6次の非球面係数で、2次のみの非球面は一般に高次非球面とは言いません。

 次に画面中の光路図左上に「LFC21F32」とあるのがベーカーシュミットの設計データで、「ODAS編集」というウインドウの中のは前記の「A」「B」が入力されています。
これは面番号2(補正板の)高次非球面の係数です。
このような高次非球面係数はドール、カセグレン、リーチークレチャンの主副鏡などには存在しません。
 以上、もう少しスッキリとご理解いただけるよな説明があると良いのですが・・・面倒くさい話で申し訳ありません。

 良く見えないとのことですが、試験夜のイメージサイズの肥大、鏡筒内気流の乱れなどに加えて、完璧に設計・製作されたRCでも、大きな中央遮蔽が与える星像への影響をお調べください。
また、製作精度の目標を「写真鏡筒」として、イメージャーの最小分解能を満たせば良しとしていた場合、その星像がアイピースで拡大して見られるようなものにはならないことが考えられます。
例えばアストロカメラとして販売されている鏡筒接眼部にアイピースを差して惑星を見て、その良否を云々することに意味はありませんね。





Re: 名鏡、銘鏡、、迷鏡?   ガラクマ - 2017/12/18(Mon) 23:08 No.10860

garakuma.gif voyager_camera 様 またまたお詳しい解説ありがとうございます。

光学設計のことは、よくわかりません(大学で一単元とりましたが、まったく記憶なし)
ただ、係数のお話でミラーの断面カーブとか光路長を表す関数に関係することと理解しましたが、よろしいでしょうか。

で、探してきました。ある非球面のスロープの関数です。
Y=[(X^2/R) /{1+SQRT(1-(1+k)*(X/R)^2}]+BX^4+CX^6+DX^8

初めの項のkを2次の非球面係数と言われているのでしょうか。Bが4次、Cが6次の係数でよろしいでしょうか。
RCのの式、係数はどんなか、見てみたいです。

ところで、ご紹介頂いた京大の3.8mの講演をしていた先生とメール交換したのを思い出しました。
昔、この大宇陀の60pも使っていたとのことで、ご存じか聞いてみます。
[管理者修正]




Re: 名鏡、銘鏡、、迷鏡?   voyager_camera - 2017/12/19(Tue) 08:45 No.10861   HomePage

ガラクマさん
非球面に関する情報は面の曲率とは別に与えます。
持ち出されましたある非球面とは8次まで含んだもので、2枚鏡系に使われるものではありません。
京大のRC設計値は前コメントで紹介しました資料のp45にあります。
見られておられないようですので切り出した表を添付します。
この中に書かれた「主鏡非球面定数=-1.034609」「副鏡の非球面定数=-2.73112」が主副鏡のKです。
K=-1.304609というのは放物面のK=-1の1.304609倍の修正量の双極面です。
ご覧のように、RC主副鏡には4次以上の高次非球面係数(定数)は存在しません。





Re: 名鏡、銘鏡、、迷鏡?   ガラクマ - 2017/12/19(Tue) 22:54 No.10862

garakuma.gif voyager_camera 様 いろいろありがとうございます。

先の私がお示しした式は8次までの(Z軸に)回転対称のカーブの汎用式であると思いますので、エラーの値は別として複雑な光学系のスロープでも8次までの近似はできるとは思います。

また、ご指摘の件、ページは拝見いたしておりました。
3.8mが準リッチークレチアンだと思い、先生に確認のメールを入れております。
オフセットしたミラーの複雑な式を機械にセットできない為、2次に近似した式をセットして研磨し、分割鏡のメリットを生かし、夫々の鏡の位置角度で本来のカーブに近づけているのではないかと思っております。

ウィキでも「リッチーはアンリ・クレチアンとともに最初から2面を球面収差とコマ収差の補正に積極的に使用し主鏡副鏡とも極めて双曲面に近い高次非球面とし、広写野でアプラナートのカセグレン系反射望遠鏡を開発、レジオンドヌール勲章を得た」とあります。
https://ja.wikipedia.org/wiki/%E3%83%AA%E3%83%83%E3%83%81%E3%83%BC%E3%83%BB%E3%82%AF%E3%83%AC%E3%83%81%E3%82%A2%E3%83%B3%E5%BC%8F%E6%9C%9B%E9%81%A0%E9%8F%A1

RCは比較的最近開発された光学系で、単純な2次のスロープで構成されたものではないと思っておりましたが、「極めて双曲面に近い・・」ということで2次に近似してもエラーは少ないということでしょうね。

RC系の光学系のほとんどは、今(準)リッチークレチアンではないでしょうか。
[管理者修正]




Re: 名鏡、銘鏡、、迷鏡?   voyager_camera - 2017/12/20(Wed) 13:02 No.10863   HomePage

ガラクマさん

 汎用式のBCDにゼロを入力すれば単なる2次式なので問題ありませんので、仰せのように一般式ですね。

 お話しの前にウィキペディアについて(特に日本語版)、内容には問題が多いので百科事典のような読み方をされることには賛成できかねます。
著者を明記していませんので、かなりいい加減な記事が目につきます。
それでも誰も責任を持ちませんので、ウィキはあくまでも参考で、そこで拾い出した情報は更に裏を取られることをお薦めします。
 ウィキの「リッチー・クレチアン式望遠鏡」「機構」には確かに「主鏡が凹面、副鏡が凸面であり、どちらも双曲面に似た非球面である[4][3]。」とあります。
前コメントで京大の3.8mのシュミレーションを持ち出したのは、主副鏡ともに2次のコーニック定数だけで球面収差とコマ収差が消えていることを見ていただくためです。(シュミレーションに使ったKは参考資料のままです)
従って「双曲面に似た非球面」というのが不明です。(双曲面といってもKの違いで無限の非球面度が設定できます)
 また同じウィキの「準リッチー・クレチアン式望遠鏡」についてです。
RCの像面湾曲は収差ではなく仕様ですから、写真鏡として使う場合はシュミットカメラのように像面を湾曲させて使えば無収差です。(機構で非点収差と言っているのは像面を平面のまま使用した場合に発生するので像面を湾曲させれば無収差です)
像面を平坦化する補正レンズを含めて「準リッチー・クレチアン」というとありますが、純粋RCは2枚の鏡だけの系です。
純RC+フラットナーと言えばいいのに、わざわざ「準リッチー・クレチアン」というのでしょうか。
ニュートン鏡筒を写真鏡化するためにはコマ補正レンズが使われていますが、例えばWynneの3枚玉コマ補正レンズを組み込んだからと言って、その鏡筒を「準ニュートン式望遠鏡」言いますでしょうか。
鏡系を従来のKのまま使って、補正レンズ系を加える場合には「準・・・」とは言わないのが正しいのではないでしょうか。
「準・・・」というのは、本来の鏡系の非球面に手を加えて、補正レンズなしでは基本収差である球面収差やコマ収差補正が出来ないような光学系と考えてよいと思います。
 「準リッチー・クレチアン」でいうのであればタカハシのFRC-300がまさに準RCです。
ただし、この場合は非球面率を強くしていますが、補正レンズ系を複雑にせずにFを明るくしようとした場合の一つの解です。
F5の純RCは大変製作しにくいですが、非球面度を上げなくとも補正レンズの枚数やガラス種を選択することでも解はあった筈ですが、タカハシはそれを選んだということです。
余談ですが、タカハシはその後放物面主鏡+球面副鏡+補正レンズでFRC-300と同等のF5のCCA-250を開発しています。
こちらは主鏡にカセグレンと同じ放物面を使っているのでコレクテッドカセグレンと称しています。




Re: 名鏡、銘鏡、、迷鏡?   voyager_camera - 2017/12/20(Wed) 18:10 No.10864   HomePage

ガラクマさん、皆さん

 先ずは純RCの主副鏡が高次非球面であるかについて、私が間違っていましたことをお詫びします。

 京大3.8mRC赤外望遠鏡の資料を更に読み進むと、ZEMAXのデータも添付されていましたので、早速自分でも光学データを入力してシュミレーションしましたが、像面を湾曲させずに軸上だけを見ていました。(尚、ナスミス鏡は平面なのでこの趣味レーションでは省いています)
2次の非球面でも球面収差はありませんが、実際に像面を湾曲させてみると添付画像「1.補正レンズなし、像面を湾曲させた」のようになりました。
半径1180mmの湾曲では横収差図のT(タンジェンシャル)がほぼ真っ直ぐタイ上がっているのに対して、S(サッジタル)が随分と横に曲がって、いわゆるサジタルコマが発生しています。
スポットダイヤグラムでも、軸上は無収差ですが軸から離れるにしたがって星像が横に広がっています。
つまり、2次で球面収差を補正したRC鏡では像面を湾曲させても非点収差がバッチリ残っているということですね。
やはりガラクマさんが仰せの通り、2枚鏡で球面収差もコマ収差も無くすためには、主副鏡とも高次の非球面が必要と思われます。
サイトを混乱させてご迷惑をお掛けしましたことを心からお詫びいたします。

 以下は余談です。
シュミレーションをしながら思ったのですが、第一焦点では補正レンズなしの平面像を使うつもりらしいですから、ちょっと心配ですね。
ついでに、更に第二焦点の補正レンズもシュミレーションして確認しました。
 「2.補正レンズあり、像面は平面のまま」をご覧ください。
レンズデータのIMGが0になっているのは、像面が平面であるということです。
イメージ半径を200mmにとっていますので、焦点距離22692mmでは写野直径が約2度になります。
球面収差(軸上)はほぼ真っ直ぐですが、縦収差図も横収差図も大きく乱れて軸外での収差が大きいことが解ります。
スポットダイヤグラムでは軸外で円形のまま肥大している状態が解ります。
 次に「3.補正レンズあり、像面を湾曲させた」ですが、これが京大での最終設計値になっています。
ZEMAXのデータでもイメージには2764.873と入力しています。
この設計データでは像面を湾曲させたままスポットダイヤグラムで星像を示して、その性能を云々しています。
像面直径がφ400mmですから、デテクタはモザイクにする筈ですが、平面でなくて一体どうするのでしょうか不思議に思いました。
参考にした資料は2010年3月に望遠鏡ワーキンググループが作成したものですから、流石に製作に取り掛かった現在では全く違う設計に修正されているとは思いますが・・・もし、大宇陀の60cmRCに関わった先生が岡山の新3.8mもご存知でしたら、その辺を聞いて頂けると参考になります。

 ということで、長々ご迷惑をお掛けしましたことを重ね重ねお詫びいたしまして退場いたします。m(_"_;)m





Re: 名鏡、銘鏡、、迷鏡?   ガラクマ - 2017/12/20(Wed) 23:33 No.10867

garakuma.gif voyager_camera様、皆様

 私の自己満足の為、ご迷惑をおかけいたしております。私は困ったことに、分からないくせにイメージできないと納得しない性格でありまして、たびたびお手数をおかけいたしております。
今回だいぶん勉強させて頂きましたが、それでも↓この程度でも理解が厳しい実力です。
http://www.cybernet.co.jp/optical/course/story/11/

 ただ、この光学系ができた頃は、幾何学として解を求めた美しい?理論があるのではと勝手に思い込んでおります。それをイメージするのに高次の項があるように思えました。それを知りたかったのですが、本来の式を見つけられておりません。

ちなみに、大宇陀に関わったみなさんもよくご存じの?先生(光学の先生ではありません)から情報を頂きました(抜粋)
・・・・・・・・・・・・・・・・・・・・・・・・・・・・・・・・・・・・・・・・・・・・・・・・・・・・・・
大宇陀の60p望遠鏡についてはそちらにお渡ししました資料の中に”The 60cm Ritchy-Chretien Telescope and itsInstruments”, Ohtani, et alという論文の別刷り(←見ても理解できないかも・・)が入っていますので詳しくはそれをご覧いただければと思います。
いま私の手元にはありませんので、覚えているかぎりでおつたえいたします。
 ご存知のように、普通のカセグレン式反射望遠鏡の場合、主鏡は回転放物面、副鏡は回転双極面の二次曲面鏡で構成されます。これですと球面収差は補正できますが、光軸をはずれるとコマ収差が発生します。このコマ収差を補正するために考案されたのが、対称性から偶数次の微小な高次非球面成分を加えたリッチクレチアン光学系です。
大宇陀(現在は天体望遠鏡博物館)の60p光学系も像面平坦化レンズ(これは球面)も含めて8次までの成分を入れて設計されたように思います。実際に研磨した五島光学研究所では、研磨の途中で3次元測定を行いつつ理論的な面に近づける研磨作業が行われました。
 大宇陀に納入されてから望遠鏡に組み込んで、ハルトマンテストを行いまして、完成した合成光学系の収差測定を行いましたが、理論形状からのずれも検出されています。
具体的な数値については上記論文に掲載されていたはずです。
 岡山の3.8m望遠鏡については、やはりリッチクレチアン光学系としての設計が行われ、それを分割鏡として実現することになっていますが、詳しい設計については私は知りません。
 そもそもこの光学系を発案したリッチーの論文が確か20世紀の初頭にちかいころに米国海軍天文台報(または米国天文学会のジャーナル)に掲載されています。純リッチークレチアン光学系という意味ではそれに掲載されているものをいうのでしょう。ということでそちらの60p望遠鏡、3.8m望
遠鏡も“準”がつくのかも。

 このお話は、大宇陀のが見えない。リッチークレチアン光学系をよく知りたいというところから始まったように思いますが、リッチークレチアン系として純でも準でもなんら問題がないように思えております。

先日、見に行った3.8m関連の写真添付します。大宇陀の為に、3.8m用の手前の白い蛇腹式の建物が欲しくお願いしていたのですが、OKが出たのはあきらめて大宇陀の60pの移動式倉庫風の観測所を作った後のことで、不要になってしまいました。

voyager_camera様、今後ともご教授よろしくお願いいたします。

[管理者修正]





Re: 名鏡、銘鏡、、迷鏡?   voyager_camera - 2017/12/21(Thu) 03:46 No.10869   HomePage

ガラクマさん

 度々ご迷惑をお掛けします。

 自分でもGSOのRC25cmを使っていながら、十分勉強できておらず汗顔の至りです。
RCの解説については笠井トレーディングのRC概説が良くまとまっていると思いました。
http://www.kasai-trading.jp/gs250rc.htm

 大宇陀のRC60cmは五藤光学が設計・製作したのですか?
それなら五藤テレスコープの近藤さん辺りが当時のことをご存知でしょうか。
また、既に現役を引退された顧問の設計者さんがお元気との情報ですので、その方に伺ってみることができるかもしれません。(ちょっとコンタクトを取ってみます)




Re: 名鏡、銘鏡、、迷鏡?   voyager_camera - 2018/02/23(Fri) 10:42 No.10964   HomePage

ガラクマさん
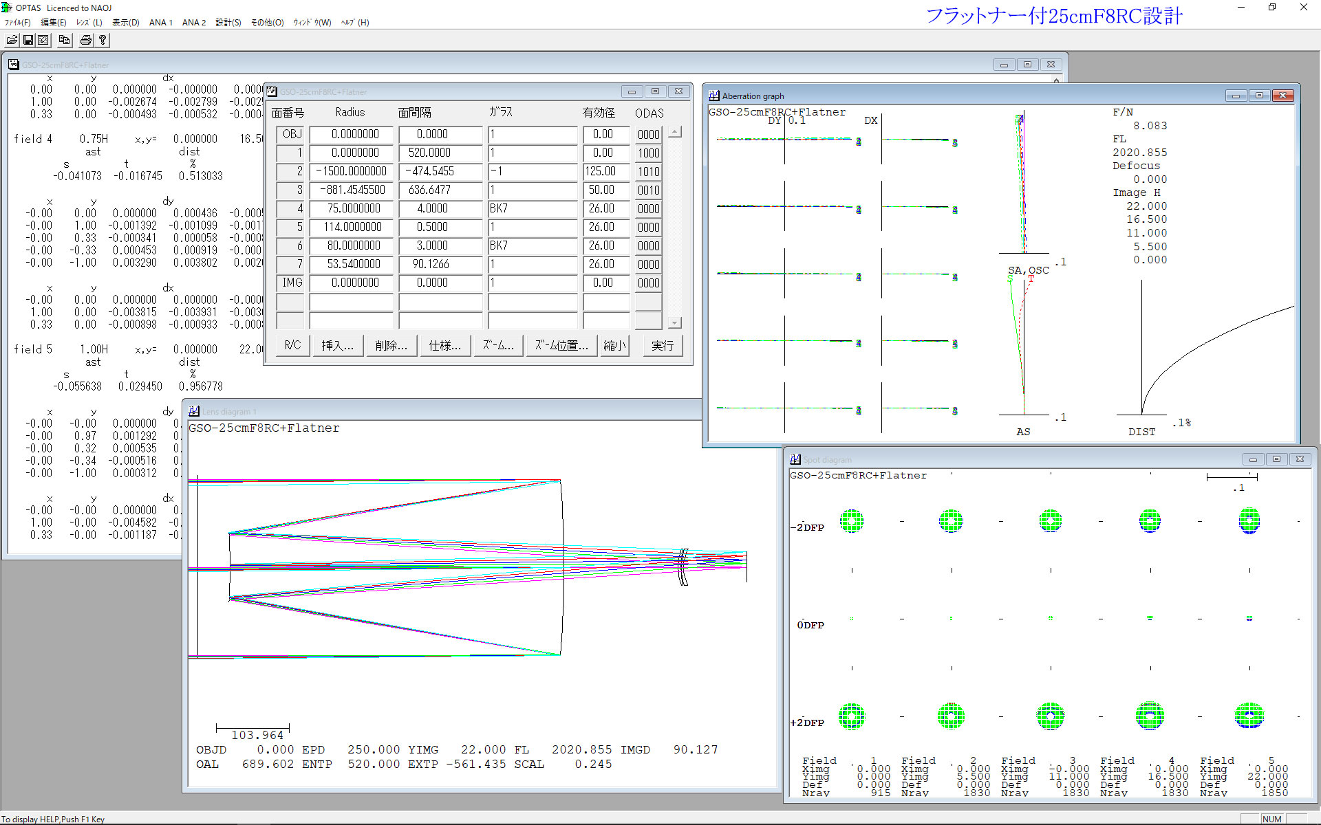
 大宇陀観測所の60cmRC鏡筒の件ですが、設計を試みました。
ExcelでRCの設計シートを作って、本当のRCの所量計算は簡単にできます。(添付はGSO社の25cmF8RCの設計です)
最も参考になったのが東京大学出版会「反射望遠鏡(山下泰正著)」ですが、主副鏡の高次非球面係数の算出についてはリッチーは直接解析的(最小二乗法による自動設計)にて求めたという表現になっております。
従ってこの著書には2次係数の算出方法しか記載されていません。
誠文堂新光社「望遠鏡発達史[下](吉田正太郎著)」には「日本で初公開!RC鏡面の厳密な式」という章で高次係数について触れています。
ここでは主鏡の高次係数の算出方法が明示されているのですが、副鏡に関しては理解できませんでした。
 結局「反射望遠鏡」の記述に従って、本当のRC系の高次非球面係数はソフトの自動設計機能を使って求めました。
フラットナーの設計も2枚玉で満足のゆく結果です。
大宇陀のRCは既に主鏡の有効口径と焦点距離、合成焦点距離が解っていますので、残りのパラメータとしてバックフォーカスとイメージサイズが判明すれば設計可能です。
 大宇陀の60cmRCは補正レンズを付けても外しても軸上性能に変化が見られないとのことですので、多分本当のRC光学系と考えてよいのだと思います。
直視観測ではあまりよく見えないということでしたが、写真専用と考えて最小星像が検出器の最小分解能以下であれば可としたのではないでしょうか。(1985年当時ではまだ銀塩でしたので焦点面での最小分解能を20μmとした)
その辺の製作仕様に関する詳細は冨田先生?から受領された論文を解読されるのが最善かと思われます。

 お役に立てずに申し訳ありませんでした。

[管理者修正]いろいろありがとうございます。メール差し上げましたが、諸事情で一部、修正削除させて頂きました。申し訳ございません。





Re: 名鏡、銘鏡、、迷鏡?   ガラクマ - 2018/02/24(Sat) 00:37 No.10965

garakuma.gif voyager_cameraさん。
大変勉強になります。光学系や天体写真など、興味はございますが深みに入るところまで、傾倒できません。

だいたい、2次項のkを使わなければ、テーラー展開?でしたっけ?放物面以外は無限に高次の係数を持ってしまいますので、何次の非球面であるかどうかはこだわりだけかと思ってしまいます。

それにしても、サイトの写真は素晴らしいですね。”お達者「投稿写真」倶楽部”も掲示板もよろしくお願いいたします。
[管理者修正]




Re: 名鏡、銘鏡、、迷鏡?   アスイク - 2018/02/25(Sun) 00:21 No.10974

seinen.gif 管理人のガラクマ様、皆様こん○○は

高尚な光学理論のお話が一段落したようなので・・・
ガラクマ様が2017/11/26(Sun) 23:04に投稿の No.10826 の

>> まったくの余談、どうでもいいお話ですが、本日「見えない望遠鏡が愛おしい」とFMの取材にひとしきり熱弁をふるいました。
>>さて一般の方に理解されるかどうか、それ以前に1月11日の放送にカットされないかどうかではありますが。

に関しまして、1月11日のFM放送の局や放送時間が分からず、FM放送を拝聴することはできませんでしたが、
投稿された自動車の魅惑的なリアビュー写真に魅了されたのがきっかけで
1月11日のFM放送内容がウェブに掲載されていることが分かりました。
ガラクマ様のご熱弁のご様子が放送されたと推定される掲載内容です。掲載写真も大変充実しています。
下記ウェブページをご覧ください。

天体望遠鏡博物館の理事をリサーチせよ
https://www.tfm.co.jp/smile/reports/kagawa/20180111/




Re: 名鏡、銘鏡、、迷鏡?   Linf - 2018/02/25(Sun) 12:49 No.10977

皆様

The 60cm Ritchey-Chretien Telescope and its Instruments, Memoirs of Faculty of Science, Kyoto University, Series of Physics, Astrophysics, Geophysics and Chemistry, Vol. 38, No. 2, Article 4, p167-185, 1992 は、国立国会図書館関西館で閲覧できます。

五藤光学研究所の特許は、公開特許広報(A) 昭62-62315です。

参考文献
Andre Baranne, LE TELESCOPE RITCHEY-CHRETIEN de 3,5 metres, 1966.
SAO/NASA Astrophysics Data System

ハルトマンテストの報告を拝見したいですね。




Re: 名鏡、銘鏡、、迷鏡?   Linf - 2018/03/02(Fri) 23:45 No.10981

皆様

論文の光学データを参考に光学系設計ソフトで回折像をシミュレートしました。

最適化半視角0.5度、主波長768.2nm。
主鏡の非球面係数A2=-1.259E-07 A4=3.065E-12 A6=4.472E-19
副鏡の非球面係数A2=-9.583E-07 A4=8.973E-11 A6=-8.956E-17 A8=7.813E-21
回折像は、F、d、C線です。





Re: 名鏡、銘鏡、、迷鏡?   voyager_camera - 2018/03/03(Sat) 09:30 No.10982   HomePage

Linf様
 貴重な情報をありがとうございました。
ご紹介いただきました情報にはたどり着けていませんが、ご開示いただきました主副鏡の非球面係数と”The 60cm Ritchy-Chretien Telescope and itsInstruments”, Ohtani, et alに書かれたBFなどの所量を使えば設計が復元できますね。(同論文にはハルトマン定数までは記載されています)
 Zemaxを利用できる環境なのですね、復元された設計値に基づいたPSF(ホイヘンス?)の2Dシュミレーションも素晴らしい。
このシュミレーションには3枚玉のフラットナーも含まれているものと思われますが、副鏡やスパイダーによる遮蔽の影響が含まれていますか。
主副鏡の波面収差が解れば更に実機に近い星像シュミレーションが出来そうですね。
これからも情報をよろしくお願いいたします。

P.S.
Linf様の「Linf」はもしかしてEdward Hubert Linfootが由来でしょうか?




Re: 名鏡、銘鏡、、迷鏡?   voyager_camera - 2018/03/03(Sat) 09:55 No.10983   HomePage

アスイク様
 ガラクマ様の情報をありがとうございました。
私はまだガラクマ様にお目にかかったことがありませんが、「見えない望遠鏡」が好きというところに人となりが見て取れて楽しいですね。
こんなに天体望遠鏡を集めちゃったのはガラクマ様ならではと納得した次第です。




Re: 名鏡、銘鏡、、迷鏡?   ガラクマ - 2018/03/03(Sat) 12:50 No.10984

garakuma.gif Linf様、はたまたvoyager_camera様、いろいろ貴重な情報ありがとうございます。
コマ収差が無いとの話ですが、回折リングは少し外れると回転対称とはならないもののきれいですね。

アスイク様、お恥ずかしいところをお見せいたしております。

日頃のゆる〜いお話が、みなさんの出番で急に緊張感が出てきて、これはこれで変化があって感謝いたしております。このまま、お続け頂いてよろしくお願いいたします。




Re: 名鏡、銘鏡、、迷鏡?   Linf - 2018/03/03(Sat) 14:56 No.10985

voyager_camera様、ガラクマ様

コメントありがとうございます。
中央遮蔽の直径250mm、4本のスパイダーの幅10mm、3枚玉の硝材BSL7です。
対数スケーリングにすると低照度部も表示されます。
像の標本点間隔を変更するとStrehl Ratioに少し誤差が生じるようです。

Linfについては、voyager_camera様のおっしゃるとおりです。





Re: 名鏡、銘鏡、、迷鏡?   voyager_camera - 2018/03/05(Mon) 12:45 No.10987   HomePage

Linf様

 早速の再シュミレーションをありがとうございます。(Zemax・・・いいですね)
今回のシュミレーションはFFT-PSFでしょうか、スパイダーの影響が強調されてハッキリ見えます。
十字スパイダーの遮蔽を反映したφ1degreeの周辺星像ですが、前回のシュミレーションに比べてストレールレシオそのものはあまり低下していませんね。
 京大の論文ではこのRC鏡筒のハルトマン定数が0.55で像直径が1.1arcsecと言っています。
続いて日本の空の平均イメージサイズが2〜3arcsecなのでこれは十分な性能であると結んでいます。
このRCは写真鏡筒ですし、設置場所がマウナケア山頂でもないのでこの結論は正しいと思います。
 60cmの回折限界の5倍以上に膨らんでいますから、アイピースを使って実際に星を観察しようとすると10cm鏡程度と・・・口径が大きい分、筒内の気流の影響も大きく10cm鏡よりも良く見えないかもしれませんね。




Re: 名鏡、銘鏡、、迷鏡?   Linf - 2018/03/05(Mon) 20:32 No.10989

voyager_camera様

コメントありがとうございます。
No.10981の回折像はリニア・スケーリングのためわかりにくいですが、中央遮蔽とスパイダーの影響を受けています。
No.10985の回折像はZemaxのバグのためか、Polychromatic Huygens PSFの表題が欠落しています。
MTF vs FieldとStrehl Ratio vs Fieldを添付します。
ご参考になれば、幸いです。





Re: 名鏡、銘鏡、、迷鏡?   voyager_camera - 2018/03/07(Wed) 11:33 No.10990   HomePage

Linf様、ガラクマ様

 MTFとStrehl Ratioをありがとうございます。
SRはフィールドの殆どで80%を超えて、設計値としてはほぼパーフェクトですね。
お陰様で設計的な状況の理解はほぼ完了したと思われます。
ありがとうございました。

 京大の論文には大宇陀RC60cmの鏡面製作部分のエピソードが記載されていませんが、他の情報では3D測定器を使ってという話もありました。
ヌルテスターや干渉計などの話が出てこなかったようですが、どのように製作を進行したのかよく解りませんね。(企業秘密なのでしょうね)
最短仕様波長を350nmとすると2枚鏡で主副鏡の波面誤差測定精度には10nmが求められそうですので、当時そのような3D測定器があったのか興味があります。
そのころは既に東大木曽観測所のシュミットカメラが運用開始されていましたから、日本光学では大型非球面の検査システムが揃っていた筈ですが、このRC主副鏡がどのように製作されたか想像してしまします。




Re: 名鏡、銘鏡、、迷鏡?   abbebe - 2018/09/14(Fri) 21:21 No.11327

voyager_camera様
初めまして、ガラクマさん一味の端くれでabbebeと言います。
OPTASをご使用のようですね、私も個人で持っていたのですが、かなり前のWindows up時に動かなくなっており、会社ももう存在しないようで諦めていたので実は懐かしくさえ感じています。Windoows10で動くバージョンが有るのですか?是非、情報を宜しくお願いします。




Re: 名鏡、銘鏡、、迷鏡?   voyager_camera - 2018/09/15(Sat) 08:20 No.11329

abbebeさん、初めまして。
ハイ、今でもWindows10上でOPTASを使っています。
OPTAS導入時のOSはWindows2000だった筈ですが、それからずっと使っています。
WindowsOSをバージョンアップしてもOPTASの起動はできると思いますが、Helpが読み込めなくなります。
従いましてOSのバージョンアップの度にHelpの読み込み復活作業をしています。
https://moondoldo.com/DoldoWorkz/index.php?Windows10%E7%94%A8WinHlp32.exe%E3%82%A4%E3%83%B3%E3%82%B9%E3%83%88%E3%83%BC%E3%83%AB%E3%83%90%E3%83%83%E3%83%81%E3%83%95%E3%82%A1%E3%82%A4%E3%83%AB
 まだまだ、捨てるのは勿体ないですよね。




Re: 名鏡、銘鏡、、迷鏡?   abbebe - 2018/09/17(Mon) 21:36 No.11333

voyager_camera様
有難う御座いました。
いろいろ試みてみましたが私の(Ver.9.1)は立ち上がらないようです。
デモ版(Ver11)は動くので、Verの問題かもしれないです。
残念ですが諦めます。
デモ版は過去のデータを読むことや、修正を進めることも可能ですが、ファイルが出来ないのでプリントアウトして、次回はそれを手入力してから進めるということを毎回実施すれば十分使えますが、ちょっと時間の無駄ですね。
OPTASは理想レンズで望遠鏡系が評価出来るので望遠鏡検討に向いていると考えておりました。
名鏡、銘鏡、、迷鏡?からハズれた内容で失礼いたしました。
なお、実は現在秘かにリッチークレチアン式の自作を検討中です。詳細は別途。
それでは失礼いたしました。




Re: 名鏡、銘鏡、、迷鏡?   voyager_camera - 2018/09/18(Tue) 11:31 No.11334

abbebeさん、バージョンですか。
そういえば私のOPTASはVer.12でした。
保存ができないと辛いですね・・・残念でした。
RCの自作ですか!
それはもう自作マニアの域を出ていますね。(興味津々)
出来ましたら進行状況を公開していただければ嬉しいですね。




Re: 名鏡、銘鏡、、迷鏡?   Kinkuro - 2018/09/20(Thu) 18:06 No.11339

細井光学らしき25cm鏡を物置小屋から発掘しました。オークションで落札したような…
Hと年月日のような番号がスタンプされてます。
アマチュア向けの良心的な価格設定でしたね。
足立光学みたいな立ち位置でした。





Re: 名鏡、銘鏡、、迷鏡?   ガラクマ - 2018/09/20(Thu) 23:14 No.11342

garakuma.gif abbebeさん。(この掲示板では)初めまして。ご挨拶遅くなりました。
なるほどアッべ、とかけてるんですね。
リッチークレチアン式の自作、 voyager_cameraさん共々(というか、たぶん全員)楽しみにいたしております。

Kinkuroさんの細井光学。マークを初めてみました。写真アップ、ありがとうございます。
”H”が古い双眼(望遠)鏡に似ている。と思ったのは私だけでしょうか。




Re: 名鏡、銘鏡、、迷鏡?   もも - 2018/09/21(Fri) 18:26 No.11344

ガラクマさま、みなさま。
こんばんわ、ももで〜す。
古い双眼鏡に一票!




Re: 名鏡、銘鏡、、迷鏡?   Kinkuro - 2018/09/21(Fri) 22:21 No.11346

本当だ(笑)




Re: 名鏡、銘鏡、、迷鏡?   Abbebe - 2020/11/06(Fri) 22:49 No.12515   HomePage

みなさま御無沙汰しております。Abbebeです。30cm自作リッチークレチアン望遠鏡、ほぼ形になって来た状態であることを報告させていただきます。ミラーはf3mirror製SN202001001です。





Re: 名鏡、銘鏡、、迷鏡?   Abbebe - 2020/11/22(Sun) 01:04 No.12527   HomePage

高齢化等の為、日本の反射鏡製造業者は消えて行きつつありますが、そんな中で「f3mirror」は、2020年10月創業の新しい反射鏡製造業者です。是非見守って行きたいと思います。
https://f3mirror.com/main/




Re: 名鏡、銘鏡、、迷鏡?   もも - 2020/11/22(Sun) 03:07 No.12528

ガラクマさま、みなさま。
こんばんわ、ももで〜す。

>Abbebeさま
自作のエキスパートで知られた渡辺さんみたいですね。
デジタルのフーコーテスターやら、眞空蒸着の窯まで作られております。




Re: 名鏡、銘鏡、、迷鏡?   ガラクマ - 2020/11/22(Sun) 20:47 No.12529

garakuma.gif Abbebeさん。
いよいよですね。観望会で拝見したいものです。

ちなみにSN202001001って、ひょっとして販売1stミラー?




Re: 名鏡、銘鏡、、迷鏡?   Abbebe - 2022/07/03(Sun) 16:08 No.13076

Abbebeです。御無沙汰しております。
自作30cmCRC(コレクテッドリッチークレチアン)望遠鏡、2018年の構想開始以来約4年、自作x0.69レデューサー、自作プラネタリーエクステンダー、自宅増設ベランダも作成し、望遠鏡移動(サンダーバード発進)システム等も含めてなんとか完成、稼働開始しています。
f3mirror(渡部鏡)SN202001001は十分名鏡だと思います。是非応援していきたいと思っています。
写真は、自作X0.69レデューサーf1970mmF6.6、ZWO ASI294MCによるM27、
自作x2.0プラネタリーエクステンダーf5700mmF19 PlayerOne Mars-Cによる木星です。





Re: 名鏡、銘鏡、、迷鏡?   Abbebe - 2022/07/03(Sun) 16:18 No.13077

M27の画像がUP出来なかったようなので再度UPします。



[直接移動] [1] [2] [3] [4] [5] [6] [7] [8] [9] [10] [11] [12] [13] [14] [15] [16] [17] [18] [19] [20] [21] [22] [23] [24] [25] [26] [27] [28] [29] [30] [31] [32] [33] [34] [35] [36] [37] [38] [39] [40] [41] [42] [43] [44] [45] [46] [47] [48] [49] [50] [51] [52] [53] [54] [55] [56] [57] [58] [59] [60] [61] [62] [63] [64] [65] [66] [67] [68] [69] [70] [71] [72] [73] [74] [75] [76] [77] [78] [79] [80] [81] [82] [83] [84] [85] [86] [87] [88] [89] [90] [91] [92] [93] [94] [95] [96] [97] [98] [99] [100] [101] [102] [103] [104] [105] [106] [107] [108] [109] [110] [111] [112] [113] [114] [115] [116] [117] [118] [119] [120] [121] [122] [123] [124] [125] [126] [127] [128] [129] [130] [131] [132] [133] [134] [135] [136] [137] [138] [139] [140] [141] [142] [143] [144] [145] [146] [147] [148] [149] [150] [151] [152] [153] [154] [155] [156] [157] [158] [159] [160] [161] [162] [163] [164] [165] [166] [167] [168] [169] [170] [171] [172] [173] [174] [175] [176] [177] [178] [179] [180] [181] [182] [183] [184] [185] [186] [187] [188] [189] [190] [191] [192] [193] [194] [195] [196] [197] [198] [199] [200] [201] [202] [203] [204] [205] [206] [207] [208] [209] [210] [211] [212] [213] [214] [215] [216] [217] [218] [219] [220] [221] [222] [223] [224] [225] [226] [227] [228] [229] [230] [231] [232] [233] [234] [235] [236] [237] [238] [239] [240] [241] [242] [243] [244] [245] [246] [247] [248] [249] [250] [251] [252] [253] [254] [255] [256] [257] [258] [259] [260] [261] [262] [263] [264] [265] [266] [267] [268] [269] [270] [271] [272] [273] [274] [275] [276] [277] [278] [279] [280] [281] [282] [283] [284] [285] [286] [287] [288] [289] [290] [291] [292] [293] [294] [295] [296] [297] [298] [299] [300] [301] [302] [303] [304] [305] [306] [307] [308] [309] [310] [311] [312] [313] [314] [315] [316] [317] [318] [319] [320] [321] [322] [323] [324] [325] [326] [327] [328] [329] [330] [331] [332] [333] [334] [335] [336] [337] [338] [339] [340] [341] [342] [343] [344] [345] [346] [347] [348] [349] [350] [351] [352] [353] [354] [355] [356] [357] [358] [359] [360] [361] [362] [363] [364] [365] [366] [367] [368] [369] [370] [371] [372] [373] [374] [375] [376] [377] [378] [379] [380] [381] [382] [383] [384] [385] [386] [387] [388] [389] [390] [391] [392] [393] [394] [395] [396] [397] [398] [399] [400] [401] [402] [403] [404] [405] [406] [407] [408] [409] [410] [411] [412] [413] [414] [415] [416] [417] [418] [419] [420] [421] [422] [423] [424] [425] [426] [427] [428] [429] [430] [431] [432] [433] [434] [435] [436] [437] [438] [439] [440] [441] [442] [443] [444] [445] [446] [447] [448] [449] [450] [451] [452] [453] [454] [455] [456] [457] [458] [459] [460] [461] [462] [463] [464] [465] [466] [467] [468] [469] [470] [471] [472] [473] [474] [475] [476] [477] [478] [479] [480] [481] [482] [483] [484] [485] [486] [487] [488] [489] [490] [491] [492] [493] [494] [495] [496] [497] [498] [499] [500] [501] [502] [503] [504] [505] [506] [507] [508] [509] [510] [511] [512] [513] [514] [515] [516] [517] [518] [519] [520] [521] [522] [523] [524] [525] [526] [527] [528] [529] [530] [531] [532] [533] [534] [535] [536] [537]
投稿画像の表示サイズを変更できます
管理者用

- Joyful Note -
- JOYFULYY v2.50y24m71 :Edit by Yamamoto -